领先的模拟芯片和嵌入式处理器的产品与方案供应商思瑞浦3PEAK(股票代码:688536)正式推出全新精密电阻阵列——TPR860x系列。TPR860x系列是一款四电阻匹配的电阻阵列,电阻匹配性能表现优异,兼有极低的温漂,可满足工业控制、精密测量和仪器仪表等终端产品对于电压、电流信号采集的需求。


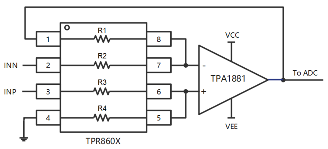
TPR860x系列集成了四个独立电阻,专为满足多个电阻阻值精确匹配的应用需求而设计。电阻阵列搭配高精度运放可实现增益倍数的精确设置,从而达到信号的精确采集。TPR860x的典型应用电路图如下:

TPR860x的典型应用图
在上述应用电路中,电阻阵列在系统中发挥了关键作用,主要体现在:系统全温下的增益精度、系统全温下的共模抑制比。
电阻匹配比例和匹配比例温漂是影响系统全温范围下的增益精度的关键因素。若选用匹配比例为1%的电阻阵列,则整个系统的分辨率将被限制在7bit以内。在高精度的应用中,需要采取校准措施以减小这些影响,但全温范围的校准成本高昂且难以实现,只能在常温下进行校准。因此,匹配比例的温漂至关重要。
为此,TPR860x系列提供了常温下匹配比例误差最大为±0.01%(TPR8601A),在-40°C 至 125°C温度范围内温漂典型值仅为0.1ppm/°C,最大值为1ppm/°C的出色性能表现,匹配比例温漂分布图如下图所示:

TPR860X匹配比例温漂分布图
电阻阵列共模抑制比匹配度和温漂对系统全温范围内的共模抑制比具有关键影响。对于共模信号范围较大的应用场景,共模抑制比(CMRR)至关重要。电阻阵列匹配的失调会导致共模信号转换为差模信号,从而引入干扰。
电阻阵列影响共模抑制比的匹配度定义为:

仅考虑电阻阵列时的共模抑制比为:

采用四个相同阻值、匹配比例为±1%的电阻,在常温下只能保证40dB的共模抑制比。常温下通过校准,可以消除误差,但高低温下校准的成本高昂,实现较为困难。而TPR860x系列在四个电阻之间均匹配,并在影响共模抑制比的匹配度和温漂性能上表现出色。在全温范围下(-40°C至125°C),TPR8601A的最大偏差仅为±0.005%,温漂典型值为0.1ppm/°C,最大值为1ppm/°C。分布图可见下图:

TPR860X影响共模抑制比的匹配度温漂分布图
我们通过构建Gain=1的差分放大系统,利用三种性能不同的电阻阵列,探究评估了电阻阵列对系统增益精度和共模抑制比等性能指标的影响。通过评估发现,TPR860x系列在全温范围下表现良好可靠,可满足在精密测量领域中对系统增益精度和共模抑制比的高要求。

不同性能参数的电阻阵列对系统的影响对比

匹配性能:
TPR8601A: 0.0125% Matching at −40°C to +125°C
TPR8600/1/2: 0.025% Matching at −40°C to +125°C
TPR8603: 0.03% Matching at −40°C to +125°C
TPR860x系列产品可提供样品及评估板服务,请联系alan@sunruntg.com。